按产品类型查找
按行业用途查找
技术支持
企业信息
×
搜索
行业用途首页

基础设施

美蓓亚三美的散热风扇、杆端关节轴承、步进电机、滚珠轴承等产品在光伏逆变器、储能变流器、基站天线、风力发电、监控摄像头、铁路车辆、充电桩等新型基础设施建设领域有广泛应用。步进电机实现了正确定位和精确的角度控制。针对风电、光伏、充电桩、储能等多种场景,美蓓亚三美的NMB风扇提供防水防尘的散热解决方案。杆端轴承和球面轴承作为关键的机构零件在高温高湿环境下仍然表现着卓越的高可靠性和耐久性。

机器人

随着产业升级,机器人的智能化研发面临更多的挑战。美蓓亚三美的散热风扇、无刷直流电机、6轴力传感器、锂离子电池IC、滚珠轴承可应用于机器人手、AGV、工业机器人、教育机器人等领域,帮助实现机器人的智能化和高效化。

工业及商业

美蓓亚三美的微型滚珠轴承、电机产品、传感器广泛应用于各种工业设备和商业设备的控制定位、送风、搬运、旋转装置等部位。此外,电动工具中也大量使用了NMB微型滚珠轴承。

家电、消费电子及住宅设备

消费者与智能家居、穿戴电子、家电、智能设备之间的联系愈发紧密。美蓓亚三美为行业领先的消费电子和家电制造商提供优质的滚珠轴承、电机、锂离子电池芯片、开关、线性马达、相机马达等零部件。

医疗健康

美蓓亚三美向医疗器械制造商、医疗保健设备生产商提供电机、传感器、微型滚珠轴承等零部件,产品可应用于实验室自动化、医用泵、呼吸道护理、药房自动化、成像和许多其他医疗设备应用中,为医疗保健设备制造提供品质稳定、可信赖的零部件。

交通工具

美蓓亚三美的杆端轴承、球面轴承和紧固件被大量使用于飞机、列车等交通工具中。 美蓓亚三美的飞机用杆端轴承和球面轴承在英国、美国、泰国和日本等地制造,是唯一一家能以高品质产品满足欧洲、美洲和亚洲三个地区航空航天产品客户高标准要求的制造商。

汽车

美蓓亚三美在过去的几十年间致力于向各大整车厂、Tier1提供车规级可靠的零部件。 美蓓亚三美紧跟汽车制造业的设计创新和技术进步的步伐,助力汽车设计工程师们不断地迎接汽车行业电动化、自动化、共享、互联趋势所带来地新挑战。
产品类型首页
按产品类型查找
按行业用途查找
行业解决方案
技术支持
新闻
企业信息
加入我们

BKL7

3相外转子型直流无刷电机

轴承:可选择含油轴承、滚珠轴承

连接:对应客户需求

制动扭矩:可根据用户的要求进行调整

接口:绕线端子

霍尔元件或霍尔IC的输入输出端子

电路:也可搭载驱动电路

轴:可变更长度、选择D形切割形状、追加齿轮等,

轴输出方向可选择上下。

咨询此产品
下载产品资料
BKL7
外观图参数特性图下载产品咨询
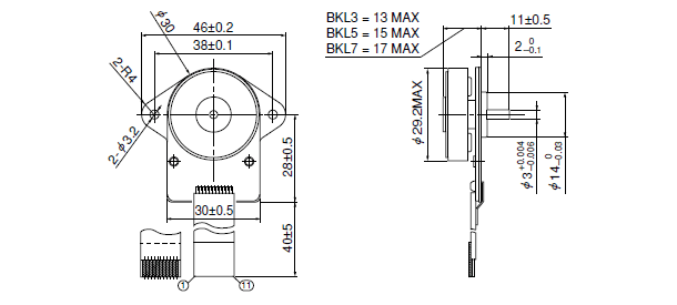
外观图
参数
外径
[mm]
无负荷转速
[r/min]
启动转矩
[mN・m]
最大输出
[W]
启动电流
[mA]
最大效率
[%]
最大效率时转速
[r/min]
最大输出时转速
[r/min]
20℃时使用寿命
[hour]
29.2
3800
48.0
4.8
1600
72
3200
1800
5000
*值为12V时的典型特性值。

该产品为定制品,请联系我们了解详细的规格和起订数量。
特性图
下载
相关数据
相关数据
bkl7_zh.pdf
产品咨询
需要更多关于 BKL7 的详细信息?
请填写表格,与美蓓亚三美的产品专家取得联系。
产品类型:小型DC直流无刷电机 产品型号:BKL7
产品用途(必填项)
咨询目的 (必选项)
咨询内容(必填项)
姓名(必填项)
公司(必填项)
部门
电话号码(必填项)
电子邮箱
验证码 *
确认提交
联系我们
扫码关注